samjin twister
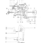
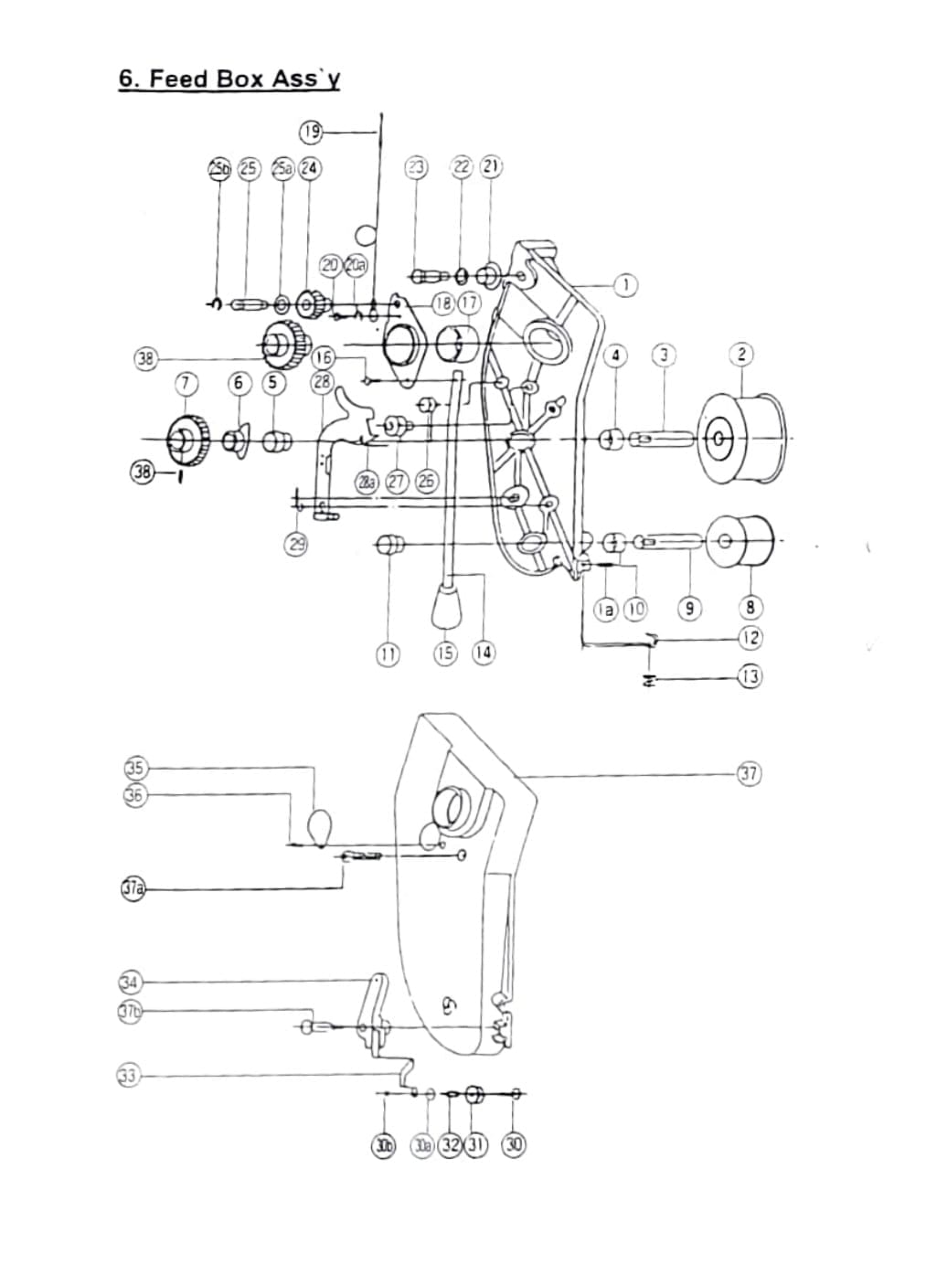
جميع قطع الغيار الخاصة بماكينة samjin الكورية
فيما يلي مقالة مختصرة وشاملة عن برْم خيوط البوليستر (spinning polyester threads)، مع شرح المفاهيم الأساسية، الاستخدامات، ومزايا وعيوب الخيط المصنوع من البوليستر.
العنوان: برم خيوط البوليستر: الأساسيات والتطبيقات
مقدمة البوليستر هو واحد من أكثر ألياف الخيوط استخداماً في الصناعة النسيجية. يعود سبب شهرة هذه الألياف إلى مزيج من القوة العالية، المقاومة الممتازة للتآكل، الثبات اللوني، والقدرة على الاحتفاظ بالشكل. برم الخيوط يعني تحويل ألياف البوليستر إلى خيط متصل من الخيوط قبل استخدامها في النسيج أو الخياطة. تتم عملية البرم في خطوط إنتاج متخصّصة وتختلف حسب السماكة المطلوبة ونوع المنتج النهائي.
الخواص الرئيسية لخيوط البوليستر
- القوة والمتانة: خيوط البوليستر عالية المقاومة للتمزّق والتآكل، مما يجعلها مناسبة للملابس والمنتجات التي تتعرّض لاستخدام مكثف.
- ثبات اللون: تحتّفظ الألوان ببهائها مع مقاومة للبهتان مقارنة بالياف طبيعية أخرى.
- مقاومة الرطوبة والكيماويات: تتحمل الرطوبة والمواد الكيميائية بشكل جيد، ما يجعلها مناسبة للملابس الرياضية والمنتجات الخارجية.
- مقاومة الإهتراء والاحتكاك: تتحمل الإحتكاك اليومي في الخياطة والموارد الصناعية.
- المرونة: تمتاز بخيلة مرونة مناسبة لكنها أقل من بعض الألياف المطاطية.
عملية برم الخيوط من البوليستر
- تحضير الخيوط الأولية: يتم تجهيز حزم خيوط البوليستر الخام وفق متطلبات القياس واللون.
- التمشيط والتقسية: تقطع الخيوط وتدور لتقليل العقد وتعزيز الاستقامة قبل التشكيل النهائي.
- تدوير الخيوط: يتم لف خيوط البوليستر في خيط موصل من خلال أجهزة برم متقدمة، وهي تقنيات مناسبة للتحكم في الوزن والنسيج النهائي.
- المعالجة النهائية: قد يخضع الخيط لعمليات معالجة مثل الكي، التبييض، أو التنعيم لتناسب تطبيقاً محدداً.
- الاختبار والتعبئة: يتم فحص الخيوط لضمان التوحّد في السمك والمتانة واللون قبل التعبئة والتوزيع.
أنواع خيوط البوليستر وفق الغرض
- خيوط بوليستر للاستخدام في الخياطة اليدوية: تكون رفيعة وخفيفة لسهولة التثبيت والدقة في الخياطة.
- خيوط بوليستر للاستخدام الصناعي: ذات سماكات أقوى ومتانة أعلى، مقاومة للشد والتآكل.
- خيوط بوليستر مغطاة: غالباً ما تكون مغطاة بمواد أخرى لتحسين النعومة أو مقاومة الاحتكاك أو اللمعان.
- خيوط بوليستر مقاوم للحرارة: مصممة لتحمل درجات حرارة أعلى خلال عمليات التشكيل أو الغزل.
مزايا استخدام خيوط البوليستر
- التحمل العالي والمتانة في الظروف القاسية.
- ثبات الألوان ودوامها.
- تكلفة معقولة مقارنة بمواد أخرى ذات الأداء المماثل.
- قابلية التلوين والتشطيب بسهولة.
- مقاومة للانكماش والتغير في الشكل مع الاستخدام.
عيوب خيوط البوليستر
- أقل نعومة مقارنة بخيوط حريرية أو قطنية عالية النعومة في الملمس النهائي.
- قد يكون التثبيت في بعض الأقمشة الحساسة أصعب من الخيوط الطبيعية.
- قد تتسبب في زيادة احتكاك الألياف بسبب صلابتها في بعض الأقمشة الدقيقة.
استخدامات رئيسية
- الملابس: السترات، القمصان، الجوارب، الملابس الرياضية.
- الأغطية والسترات الواقية والحقائب.
- الصناعات اليدوية والخياطة المنزلية.
- منتجات خارجية: السترات المقاومة للماء، أكياس التحمل، والأقمشة المقاومة للتمزق.
نصائح لاختيار خيط بوليستر مناسب
- حدد سماكة الخيط وفق نوع النسيج ووزنه المقصود.
- افحص قوة الخيط والتوافق مع نوع الإبرة ونمط الخياطة المستخدمة.
- راعِ متطلبات التطبيق من حيث مقاومة التآكل ودرجة الحرارة.
- اختبر الخيط مع النسيج النهائي لضمان التناسق في اللون والتوتر.
- اختيار الخيوط المعالجة بشكل مناسب (مثلاً خيوط مغطاة أو مع معالجات مضادة للماء) حسب الوضع.
خاتمة برم خيوط البوليستر يمثل خياراً عملياً وموثوقاً للعديد من تطبيقات النسيج والخياطة، مع توازن جيد بين القوة والتكلفة والصلابة. فهم الخواص والتطبيقات والاختيار الصحيح للخيط المناسب يمكن أن يحسن من جودة المنتج النهائي وكفاءة الإنتاج.
إ
1,00 EGP
Authorities in our business will tell in no uncertain terms that Lorem Ipsum is that huge, huge no no to forswear forever. Not so fast, I'd say, there are some redeeming factors in favor of greeking text, as its use is merely the symptom of a worse problem to take into consideration.
Anyway, you still use Lorem Ipsum and rightly so, as it will always have a place in the web workers toolbox, as things happen, not always the way you like it, not always in the preferred order.
تفاصيل المنتج
جميع قطع الغيار الخاصة بماكينة samjin الكورية
فيما يلي مقالة مختصرة وشاملة عن برْم خيوط البوليستر (spinning polyester threads)، مع شرح المفاهيم الأساسية، الاستخدامات، ومزايا وعيوب الخيط المصنوع من البوليستر.
العنوان: برم خيوط البوليستر: الأساسيات والتطبيقات
مقدمة البوليستر هو واحد من أكثر ألياف الخيوط استخداماً في الصناعة النسيجية. يعود سبب شهرة هذه الألياف إلى مزيج من القوة العالية، المقاومة الممتازة للتآكل، الثبات اللوني، والقدرة على الاحتفاظ بالشكل. برم الخيوط يعني تحويل ألياف البوليستر إلى خيط متصل من الخيوط قبل استخدامها في النسيج أو الخياطة. تتم عملية البرم في خطوط إنتاج متخصّصة وتختلف حسب السماكة المطلوبة ونوع المنتج النهائي.
الخواص الرئيسية لخيوط البوليستر
- القوة والمتانة: خيوط البوليستر عالية المقاومة للتمزّق والتآكل، مما يجعلها مناسبة للملابس والمنتجات التي تتعرّض لاستخدام مكثف.
- ثبات اللون: تحتّفظ الألوان ببهائها مع مقاومة للبهتان مقارنة بالياف طبيعية أخرى.
- مقاومة الرطوبة والكيماويات: تتحمل الرطوبة والمواد الكيميائية بشكل جيد، ما يجعلها مناسبة للملابس الرياضية والمنتجات الخارجية.
- مقاومة الإهتراء والاحتكاك: تتحمل الإحتكاك اليومي في الخياطة والموارد الصناعية.
- المرونة: تمتاز بخيلة مرونة مناسبة لكنها أقل من بعض الألياف المطاطية.
عملية برم الخيوط من البوليستر
- تحضير الخيوط الأولية: يتم تجهيز حزم خيوط البوليستر الخام وفق متطلبات القياس واللون.
- التمشيط والتقسية: تقطع الخيوط وتدور لتقليل العقد وتعزيز الاستقامة قبل التشكيل النهائي.
- تدوير الخيوط: يتم لف خيوط البوليستر في خيط موصل من خلال أجهزة برم متقدمة، وهي تقنيات مناسبة للتحكم في الوزن والنسيج النهائي.
- المعالجة النهائية: قد يخضع الخيط لعمليات معالجة مثل الكي، التبييض، أو التنعيم لتناسب تطبيقاً محدداً.
- الاختبار والتعبئة: يتم فحص الخيوط لضمان التوحّد في السمك والمتانة واللون قبل التعبئة والتوزيع.
أنواع خيوط البوليستر وفق الغرض
- خيوط بوليستر للاستخدام في الخياطة اليدوية: تكون رفيعة وخفيفة لسهولة التثبيت والدقة في الخياطة.
- خيوط بوليستر للاستخدام الصناعي: ذات سماكات أقوى ومتانة أعلى، مقاومة للشد والتآكل.
- خيوط بوليستر مغطاة: غالباً ما تكون مغطاة بمواد أخرى لتحسين النعومة أو مقاومة الاحتكاك أو اللمعان.
- خيوط بوليستر مقاوم للحرارة: مصممة لتحمل درجات حرارة أعلى خلال عمليات التشكيل أو الغزل.
مزايا استخدام خيوط البوليستر
- التحمل العالي والمتانة في الظروف القاسية.
- ثبات الألوان ودوامها.
- تكلفة معقولة مقارنة بمواد أخرى ذات الأداء المماثل.
- قابلية التلوين والتشطيب بسهولة.
- مقاومة للانكماش والتغير في الشكل مع الاستخدام.
عيوب خيوط البوليستر
- أقل نعومة مقارنة بخيوط حريرية أو قطنية عالية النعومة في الملمس النهائي.
- قد يكون التثبيت في بعض الأقمشة الحساسة أصعب من الخيوط الطبيعية.
- قد تتسبب في زيادة احتكاك الألياف بسبب صلابتها في بعض الأقمشة الدقيقة.
استخدامات رئيسية
- الملابس: السترات، القمصان، الجوارب، الملابس الرياضية.
- الأغطية والسترات الواقية والحقائب.
- الصناعات اليدوية والخياطة المنزلية.
- منتجات خارجية: السترات المقاومة للماء، أكياس التحمل، والأقمشة المقاومة للتمزق.
نصائح لاختيار خيط بوليستر مناسب
- حدد سماكة الخيط وفق نوع النسيج ووزنه المقصود.
- افحص قوة الخيط والتوافق مع نوع الإبرة ونمط الخياطة المستخدمة.
- راعِ متطلبات التطبيق من حيث مقاومة التآكل ودرجة الحرارة.
- اختبر الخيط مع النسيج النهائي لضمان التناسق في اللون والتوتر.
- اختيار الخيوط المعالجة بشكل مناسب (مثلاً خيوط مغطاة أو مع معالجات مضادة للماء) حسب الوضع.
خاتمة برم خيوط البوليستر يمثل خياراً عملياً وموثوقاً للعديد من تطبيقات النسيج والخياطة، مع توازن جيد بين القوة والتكلفة والصلابة. فهم الخواص والتطبيقات والاختيار الصحيح للخيط المناسب يمكن أن يحسن من جودة المنتج النهائي وكفاءة الإنتاج.
إ
تقييم العملاء
يسمح فقط للزبائن مسجلي الدخول الذين قاموا بشراء هذا المنتج ترك مراجعة.

















المراجعات
Clear filtersلا توجد مراجعات بعد.